请选择
产品搜索
文章搜索
首页
产品中心
防护产品
手袋类
手指麻袋
面具
眼镜和护目镜
下腰部保护带
隔音保护设备
预防灾难
保护帽(头盔)
防护服・保护服类
抗静态产品
清洁液体,除臭液体和污垢清洁剂
各种腿部盖
研究和实验用品
瓶子和容器
垃圾容器
洗瓶
烧杯
烧瓶
气缸
funnels
测试管
器皿托盘
坩埚,球,盘子
篮子和筛子
夹具和架子
千斤顶
勺子和载体
汤匙 勺子
抹刀
镊子
栓类
滴管
吸管
袋类
密封剂(富士冲动)
密封剂(其他)
刷子
卡特尔产品
胶带胶条
胶带
密封剂
粘合剂
润滑剂/油脂
扎带
科学和通用设备
干燥器
洗涤,干燥和灭菌设备
恒温・加热机器类
分离・分析・培养机器类
搅拌机器类
振荡・粉砕机器・搅拌子类
加热・干燥・冷却机器类
泵和压缩机
劳保卫生用品
雨刷
油・液体吸着材类
清洁剂,真空吸尘器,清洁工具
纸制品、防灾用品、安全用品
标志和贴纸
预防灾难设备
安全用品
管子、软管和软管夹
管
软管
管子和软管配件
接头、连接器、阀旋塞、垫圈、铰链
PTFE接头和连接器
树脂关节和连接器
金属接头和连接器
ptfe阀
阀门
螺栓,坚果,垫圈,螺丝、脚轮
垫圈
注油嘴
填充盖
铰链
防震橡胶、海绵、O 形环、皮带产品
防振动橡胶
索环
O形圈,V形环,油封 弹簧
皮带
海绵
橡塑材料制品
床单,垫子,电影
圆弦,方形弦,管道,圆条
环境检测设备
测定用品
测量用品
平衡和尺度
温度计・湿度计类
电测量
计时器
数据记录器
环境测试设备
精密检测产品
放大镜和放大镜
东京精密
日置
岩崎通信(IWATSU)
工具和磨料
工具类
研磨材类
机械产品
相关产品
电气和电子产品
表面板和磁铁供应
电机马达
电线电缆
润滑油化学品
五金件
刀具切削类
运输、仓储、组织和设备产品
运输,存储和组织设备
设备机器类
办公用品
生活用品・电器
容器和耗材
电测仪器
综合工具
机床附件
测量和测量设备
机电一体化零件
气动工具
手动工具
电动、液压和气动工具
包装用品
货物装卸设备
运输设备
电子部品
研究用品
五金配件
品牌列表
HORIBA堀场
ADVANTEC东洋
边缘保护器、密封包装、夹紧杆、手柄、油箱窗口、快速袖套
边缘保护器
密封包装
夹紧杆
手柄
油箱窗口
快速袖套
旋钮、衬板、夹具、调节器、磁铁
旋钮
衬板
夹具
调节器
磁铁
内容中心
资讯内容
产品动态
品牌中心
型号更新
技术资料
关于我们
联系我们
首页
>
产品中心
>
科学和通用设备
>
泵和压缩机
所属分类:
泵和压缩机
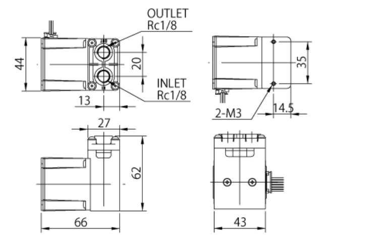
E.M.P 液体直流泵系列 BL-200-FFS 液体化学品运输 医疗分析设备
品牌:
E.M.P
联系我们
18866622123 张工
ahy@qdahy.com
AHY97319570
扫码联系我们
产品详情
相关产品
E.M.P 防爆空气泵系列 SF-50G-90-25 用于各类工厂中需要防爆规范的区域的气体分析设备
...
E.M.P 液体直流泵 CM-05W-24 医疗分析设备 液体化学品运输 清洁设备
...
E.M.P 液体直流泵 CM-15W-24 液体化学品运输 清洁设备 美容治疗用器具
...
E.M.P 液体交流泵系列 GS-6EA-AW GD-6EA-AW 医疗分析设备 液体化学品运输 清洁设备
...